深度遞歸神經網絡
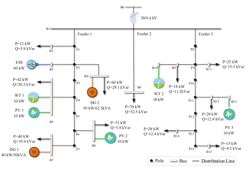
考慮潮流安全約束的微電網結構圖
基于深度神經網絡與淺層網絡的近似最優價值函數
近日,中國科學院沈陽自動化研究所智能微電網課題組在智能電網優化調度領域取得進展,相關成果獲智能電網領域頂級期刊IEEE TRANSACTIONS ON SMART GRID刊載。
隨著全球氣候變化及環境污染問題的日益加重,電力系統的清潔性、安全性和可持續性越來越受到世界各國重視。發展大規模分布式可再生清潔能源,利用先進的智能優化和控制技術,加速傳統電力系統向更清潔、更安全和更可持續性的智能電網轉變,是未來電力系統的發展趨勢和新興研究熱點。目前,國內外在可再生能源的接入、暫態穩定性控制、以及電網運行的經濟性等方面的研究已取得重大進展,然而對于接入高比例可再生能源的電力系統,其運行的安全性及相關的智能優化調度方法仍有待突破。
在題為Dynamic Energy Management of a Microgrid using Approximate Dynamic Programming and Deep Recurrent Neural Network Learning的研究論文中,智能微電網課題組在國際上首次提出了一種基于深度強化學習技術的微電網實時能源優化方法。該方法考慮可再生能源出力的隨機性及其對電網交流潮流約束的影響,利用一個深度遞歸神經網絡對微電網當前運行狀態進行特征提取,并在保證微電網安全性的基礎上,對微電網各分布式發電單元進行調度,實現微電網運行的實時優化控制。此外,相對于目前的微電網運行控制方法,提出的方法完全是基于學習的,不需要對可再生能源出力進行預測建模,表現出很好的自適應性。該工作不僅是智能電網優化調度研究中新的探索和突破,也為未來應用人工智能技術推動智能電網發展提供了新的研究思路。














